SW84直流接触器

您的位置 : 网站首页 > 产品中心 > 主触头一常开一常闭直流接触器系列 > SW84直流接触器
SW84
SW84
  • SW84
型号:SW84直流接触器
  • 线圈额定电压(V)

    48V

  • 主触点额定电流(A)

    100A/125A

联系电话:021-55560736
ZJ-50D直流接触器

产品介绍

Product introduction

产品用途

SW84专为直流负载而设计,包括用于电动车辆(如工业卡车)以及电信和配电应用的电机。 针对中断和不间断负载而开发的 SW84适用于开关电阻,电容和电感负载 。
中断电流 - 开关频繁开关(导致接触电阻增加)。
不间断电流 - 无或不频繁的负载切换要求(保持较低的接触电阻)。
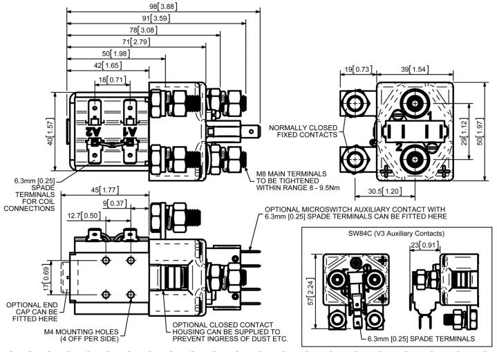
SW84的特点是单极双重断开主触点,银合金尖端,耐焊接,耐磨损,并具有优异的导电性。 SW84具有M8螺栓主端子和6.3mm的黑色线圈连接。 通过M4螺纹孔或安装支架进行安装,或者提供安装,或作为单独的物品。 安装可以是水平或垂直的,垂直时M8接触螺栓应该朝上。 如果要求向下定位,我们可以调整接触器来补偿这一点。


技术数据
线路原理图
外形尺寸图
SW84直流接触器
  • 邮  箱:cnhgq@foxmail.com 邮  编:201206
  • 厂  址:上海市曹路钦塘工业园钦塘东南1号 销售地址:上海浦东新区外高桥华申路150号2幢
  • © Copyright JOSEF Inc. All rights reserved.沪ICP备08020013号